HOME >> Services >> Partners >> FAG Bearing
FAG Bearing
IKO Bearing
INA Bearing
KOYO Bearing
NACHI Bearing
NSK Bearing
NTN Bearing
SKF Bearing
TIMKEN Bearing

Bearing number : S6202
Size (mm) : 15x35x11
Brand : FAG
Bore Diameter (mm) : 15
Outer Diameter (mm) : 35
Width (mm) : 11
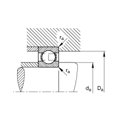
d - 15 mm
D - 35 mm
B - 11 mm
D1 - 29,3 mm
Da max - 30,8 mm
d1 - 21,1 mm
da min - 19,2 mm
ra max - 0,6 mm
rmin - 0,6 mm
m - 0,043 kg / Weight
Cr - 6490 N / Dynamic load rating (radial)
C0r - 3000 N / Static load rating (radial)
nG - 30000 1/min / Limiting speed
nB - 20200 1/min / Reference speed
Cur - 220 N / Fatigue limit load, radial
Main dimensions to DIN 625-1, corrosion resistant