HOME >> Services >> Partners >> FAG Bearing
FAG Bearing
IKO Bearing
INA Bearing
KOYO Bearing
NACHI Bearing
NSK Bearing
NTN Bearing
SKF Bearing
TIMKEN Bearing

Bearing number : S6208
Size (mm) : 40x80x18
Brand : FAG
Bore Diameter (mm) : 40
Outer Diameter (mm) : 80
Width (mm) : 18
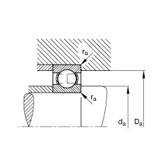
d - 40 mm
D - 80 mm
B - 18 mm
D1 - 67,5 mm
Da max - 73 mm
d1 - 53 mm
da min - 47 mm
ra max - 1 mm
rmin - 1,1 mm
m - 0,372 kg / Weight
Cr - 24730 N / Dynamic load rating (radial)
C0r - 14330 N / Static load rating (radial)
nG - 12300 1/min / Limiting speed
nB - 9300 1/min / Reference speed
Cur - 1050 N / Fatigue limit load, radial
Main dimensions to DIN 625-1, corrosion resistant