HOME >> Services >> Partners >> FAG Bearing
FAG Bearing
IKO Bearing
INA Bearing
KOYO Bearing
NACHI Bearing
NSK Bearing
NTN Bearing
SKF Bearing
TIMKEN Bearing

Bearing number : S6301-2RSR
Size (mm) : 12x37x12
Brand : FAG
Bore Diameter (mm) : 12
Outer Diameter (mm) : 37
Width (mm) : 12
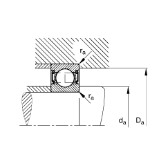
d - 12 mm
D - 37 mm
B - 12 mm
D2 - 31,4 mm
Da max - 31,4 mm
d1 - 19,5 mm
da min - 17,6 mm
ra max - 1 mm
rmin - 1 mm
m - 0,065 kg / Weight
Cr - 8240 N / Dynamic load rating (radial)
C0r - 3360 N / Static load rating (radial)
nG - 13000 1/min / Limiting speed
nB - - 1/min / Reference speed
Cur - 280 N / Fatigue limit load, radial
Main dimensions to DIN 625-1, corrosion resistant, lip seal on both side