HOME >> Services >> Partners >> FAG Bearing
FAG Bearing
IKO Bearing
INA Bearing
KOYO Bearing
NACHI Bearing
NSK Bearing
NTN Bearing
SKF Bearing
TIMKEN Bearing

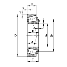
Bearing number : T2ED080
Size (mm) : 80x145x46
Brand : FAG
Bore Diameter (mm) : 80
Outer Diameter (mm) : 145
Width (mm) : 46
d - 80 mm
D - 145 mm
T - 46 mm
a - 32,6 mm
B - 45 mm
C - 38 mm
Ca min - 7 mm
Cb min - 8 mm
Da min - 125 mm
Db min - 137 mm
d1 - 110,3 mm
da max - 92 mm
db min - 95 mm
r1, 2 min - 3 mm
r3, 4 min - 2,5 mm
ra max - 3 mm
rb max - 2,5 mm
m - 3,26 kg / Weight
Cr - 265000 N / Dynamic load rating (radial)
C0r - 370000 N
e - 0,32
Y - 1,88
Y0 - 1,03
Cur - 45500 N / Fatigue limit load, radial
nG - 4750 1/min / Limiting speed
nB - 3200 1/min / Reference speed
main dimensions to DIN ISO 355, separable, adjusted or in pairs