HOME >> Services >> Partners >> FAG Bearing
FAG Bearing
IKO Bearing
INA Bearing
KOYO Bearing
NACHI Bearing
NSK Bearing
NTN Bearing
SKF Bearing
TIMKEN Bearing

Bearing number : T7FC045
Size (mm) : 45x95x29
Brand : FAG
Bore Diameter (mm) : 45
Outer Diameter (mm) : 95
Width (mm) : 29
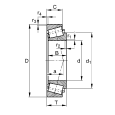
d - 45 mm
D - 95 mm
T - 29 mm
a - 33 mm
B - 26,5 mm
C - 20 mm
Ca min - 5 mm
Cb min - 9 mm
Da max - 83 mm
Da min - 71 mm
Db min - 91 mm
d1 - 73,6 mm
da max - 53 mm
db min - 59 mm
r1, 2 min - 2,5 mm
r3, 4 min - 2,5 mm
ra max - 2,5 mm
rb max - 2,5 mm
m - 0,94 kg / Weight
Cr - 105000 N
C0r - 109000 N / Static load rating (radial)
e - 0,87
Y - 0,69
Y0 - 0,38
Cur - 15100 N / Fatigue limit load, radial
nG - 7300 1/min / Limiting speed
nB - 5900 1/min / Reference speed
main dimensions to DIN ISO 355, separable, adjusted or in pairs