HOME >> Services >> Partners >> FAG Bearing
FAG Bearing
IKO Bearing
INA Bearing
KOYO Bearing
NACHI Bearing
NSK Bearing
NTN Bearing
SKF Bearing
TIMKEN Bearing

Bearing number : UC207-20
Size (mm) : 31.75x72x42.9
Brand : FAG
Bore Diameter (mm) : 31,75
Outer Diameter (mm) : 72
Width (mm) : 42,9
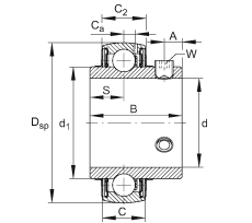
d - 31,75 mm
d - 1 1/4 inch
DSP - 72 mm
B - 42,9 mm
A - 7 mm
C - 20 mm
C2 - 20,6 mm
Ca - 5,7 mm
d1 - 46,84 mm
S - 17,5 mm
W - 5/32 inch
m - 0,52 kg / Weight
Cr - 27500 N / Dynamic load rating (radial)
C0r - 15300 N / Static load rating (radial)