HOME >> Services >> Partners >> FAG Bearing
FAG Bearing
IKO Bearing
INA Bearing
KOYO Bearing
NACHI Bearing
NSK Bearing
NTN Bearing
SKF Bearing
TIMKEN Bearing

Bearing number : UC208-24
Size (mm) : 38.1x80x49.2
Brand : FAG
Bore Diameter (mm) : 38,1
Outer Diameter (mm) : 80
Width (mm) : 49,2
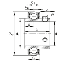
d - 38,1 mm
d - 1 1/2 inch
DSP - 80 mm
B - 49,2 mm
A - 8 mm
C - 21 mm
C2 - 21,6 mm
Ca - 6,2 mm
d1 - 52,27 mm
S - 19 mm
W - 5/32 inch
m - 0,66 kg / Weight
Cr - 34500 N / Dynamic load rating (radial)
C0r - 19800 N / Static load rating (radial)