HOME >> Services >> Partners >> FAG Bearing
FAG Bearing
IKO Bearing
INA Bearing
KOYO Bearing
NACHI Bearing
NSK Bearing
NTN Bearing
SKF Bearing
TIMKEN Bearing

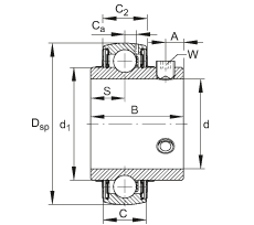
Bearing number : UC209-27
Size (mm) : 42.863x85x49.2
Brand : FAG
Bore Diameter (mm) : 42,863
Outer Diameter (mm) : 85
Width (mm) : 49,2
d - 42,863 mm
d - 1 11/16 inch
DSP - 85 mm
B - 49,2 mm
A - 8 mm
C - 22 mm
C2 - 22,6 mm
Ca - 6,3 mm
d1 - 57,91 mm
S - 19 mm
W - 5/32 inch
m - 0,75 kg / Weight
Cr - 34500 N / Dynamic load rating (radial)
C0r - 20400 N / Static load rating (radial)