HOME >> Services >> Partners >> FAG Bearing
FAG Bearing
IKO Bearing
INA Bearing
KOYO Bearing
NACHI Bearing
NSK Bearing
NTN Bearing
SKF Bearing
TIMKEN Bearing

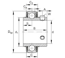
Bearing number : UC211-33
Size (mm) : 52.388x100x55.6
Brand : FAG
Bore Diameter (mm) : 52,388
Outer Diameter (mm) : 100
Width (mm) : 55,6
d - 52,388 mm
DSP - 100 mm
B - 55,6 mm
A - 10 mm
C - 25 mm
C2 - 25,6 mm
Ca - 7 mm
d1 - 69,77 mm
S - 22,2 mm
W - 3/16 inch
m - 1,17 kg / Weight
Cr - 46000 N / Dynamic load rating (radial)
C0r - 29000 N / Static load rating (radial)