HOME >> Services >> Partners >> FAG Bearing
FAG Bearing
IKO Bearing
INA Bearing
KOYO Bearing
NACHI Bearing
NSK Bearing
NTN Bearing
SKF Bearing
TIMKEN Bearing

Bearing number : UC212-38
Size (mm) : 60.325x110x65.1
Brand : FAG
Bore Diameter (mm) : 60,325
Outer Diameter (mm) : 110
Width (mm) : 65,1
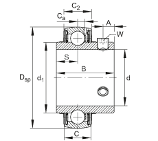
d - 60,325 mm
d - 2 3/8 inch
DSP - 110 mm
B - 65,1 mm
A - 10 mm
C - 27 mm
C2 - 27,6 mm
Ca - 7,4 mm
d1 - 76,48 mm
S - 25,4 mm
W - 3/16 inch
m - 1,48 kg / Weight
Cr - 56000 N / Dynamic load rating (radial)
C0r - 36000 N / Static load rating (radial)