HOME >> Services >> Partners >> FAG Bearing
FAG Bearing
IKO Bearing
INA Bearing
KOYO Bearing
NACHI Bearing
NSK Bearing
NTN Bearing
SKF Bearing
TIMKEN Bearing

Bearing number : UC213
Size (mm) : 65x120x65.1
Brand : FAG
Bore Diameter (mm) : 65
Outer Diameter (mm) : 120
Width (mm) : 65,1
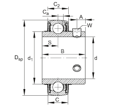
d - 65 mm
DSP - 120 mm
B - 65,1 mm
A - 12 mm
C - 28 mm
C2 - 29,4 mm
Ca - 8,2 mm
d1 - 80,85 mm
S - 25,4 mm
W - 6 mm
m - 1,73 kg / Weight
Cr - 61000 N / Dynamic load rating (radial)
C0r - 40000 N / Static load rating (radial)