HOME >> Services >> Partners >> FAG Bearing
FAG Bearing
IKO Bearing
INA Bearing
KOYO Bearing
NACHI Bearing
NSK Bearing
NTN Bearing
SKF Bearing
TIMKEN Bearing

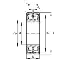
Bearing number : WS22205-E1-2RSR
Size (mm) : 25x52x23
Brand : FAG
Bore Diameter (mm) : 25
Outer Diameter (mm) : 52
Width (mm) : 23
d - 25 mm
D - 52 mm
B - 23 mm
D1 - 46,1 mm
Da max - 46,4 mm
d2 - 29,8 mm
da min - 29,8 mm
ds - 3,2 mm
ns - 4,8 mm
ra max - 1 mm
rmin - 1 mm
m - 0,235 kg / Weight
Cr - 48500 N / Dynamic load rating (radial)
e - 0,33
Y1 - 2,07
Y2 - 3,09
C0r - 42500 N / Static load rating (radial)
Y0 - 2,03
nG - 3600 1/min / Limiting speed
Cur - 4800 N
lip seal on both side