HOME >> Services >> Partners >> FAG Bearing
FAG Bearing
IKO Bearing
INA Bearing
KOYO Bearing
NACHI Bearing
NSK Bearing
NTN Bearing
SKF Bearing
TIMKEN Bearing

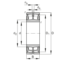
Bearing number : WS22216-E1-2RSR
Size (mm) : 80x140x40
Brand : FAG
Bore Diameter (mm) : 80
Outer Diameter (mm) : 140
Width (mm) : 40
d - 80 mm
D - 140 mm
B - 40 mm
D1 - 128,6 mm
Da max - 129 mm
d2 - 91,3 mm
da min - 91 mm
ds - 3,2 mm
ns - 6,5 mm
ra max - 2 mm
rmin - 2 mm
m - 2,7 kg / Weight
Cr - 250000 N / Dynamic load rating (radial)
e - 0,22
Y1 - 3,14
Y2 - 4,67
C0r - 270000 N / Static load rating (radial)
Y0 - 3,07
nG - 1550 1/min / Limiting speed
Cur - 33500 N
lip seal on both side