HOME >> Services >> Partners >> FAG Bearing
FAG Bearing
IKO Bearing
INA Bearing
KOYO Bearing
NACHI Bearing
NSK Bearing
NTN Bearing
SKF Bearing
TIMKEN Bearing

Bearing number : 22230-E1-K + AHX3130G
Size (mm) : 145x270x73
Brand : FAG
Bore Diameter (mm) : 145
Outer Diameter (mm) : 270
Width (mm) : 73
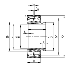
d1H - 145 mm
D - 270 mm
B - 73 mm
a - 5 mm
b - 15 mm
D1 - 240,8 mm
Da max - 256 mm
d - 150 mm
d2 - 177,9 mm
d2G - M160X3
da min - 164 mm
ds - 8 mm
l - 96 mm
ns - 15 mm
ra max - 2,5 mm
rmin - 3 mm
- AHX3130G / Designation, withdrawal sleeve
m - 17,8 kg / Weight
m1 - 1,66 kg / Weight, withdrawal sleeve
Cr - 1010000 N
e - 0,25
Y1 - 2,69
Y2 - 4
C0r - 1210000 N / Static load rating (radial)
Y0 - 2,63
nG - 2900 1/min / Limiting speed
nB - 2120 1/min / Reference speed
Cur -
Main dimensions to DIN 635-2