HOME >> Services >> Partners >> FAG Bearing
FAG Bearing
IKO Bearing
INA Bearing
KOYO Bearing
NACHI Bearing
NSK Bearing
NTN Bearing
SKF Bearing
TIMKEN Bearing

Bearing number : 22236-E1
Size (mm) : 180x320x86
Brand : FAG
Bore Diameter (mm) : 180
Outer Diameter (mm) : 320
Width (mm) : 86
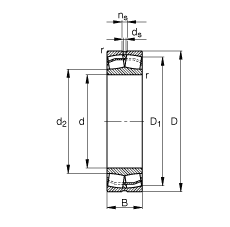
d - 180 mm
D - 320 mm
B - 86 mm
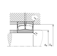
D1 - 285,9 mm
Da max - 303 mm
d2 - 211,3 mm
da min - 197 mm
ds - 9,5 mm
ns - 17,7 mm
ra max - 3 mm
rmin - 4 mm
m - 29,2 kg / Weight
Cr - 1360000 N / Dynamic load rating (radial)
e - 0,25
Y1 - 2,71
Y2 - 4,04
C0r - 1680000 N / Static load rating (radial)
Y0 - 2,65
nG - 2470 1/min / Limiting speed
nB - 1710 1/min
Cur - 148000 N / Fatigue limit load, radial
Main dimensions to DIN 635-2