HOME >> Services >> Partners >> FAG Bearing
FAG Bearing
IKO Bearing
INA Bearing
KOYO Bearing
NACHI Bearing
NSK Bearing
NTN Bearing
SKF Bearing
TIMKEN Bearing

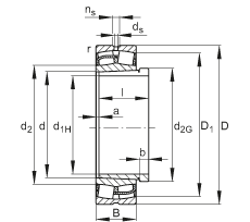
Bearing number : 22238-E1-K + AH2238G
Size (mm) : 180x340x92
Brand : FAG
Bore Diameter (mm) : 180
Outer Diameter (mm) : 340
Width (mm) : 92
d1H - 180 mm
D - 340 mm
B - 92 mm
a - 5 mm
b - 18 mm
D1 - 295,2 mm
Da max - 323 mm
d - 190 mm
d2 - 225,2 mm
d2G - M200X3
da min - 207 mm
ds - 9,5 mm
l - 112 mm
ns - 17,7 mm
ra max - 3 mm
rmin - 4 mm
- AH2238G / Designation, withdrawal sleeve
m - 42,2 kg / Weight
m1 - 3,83 kg / Weight, withdrawal sleeve
Cr - 1360000 N
e - 0,26
Y1 - 2,6
Y2 - 3,87
C0r - 1760000 N / Static load rating (radial)
Y0 - 2,54
nG - 2480 1/min / Limiting speed
nB - 1640 1/min / Reference speed
Cur -
Main dimensions to DIN 635-2