HOME >> Services >> Partners >> FAG Bearing
FAG Bearing
IKO Bearing
INA Bearing
KOYO Bearing
NACHI Bearing
NSK Bearing
NTN Bearing
SKF Bearing
TIMKEN Bearing

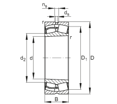
Bearing number : 22240-E1-K
Size (mm) : 200x360x98
Brand : FAG
Bore Diameter (mm) : 200
Outer Diameter (mm) : 360
Width (mm) : 98
d - 200 mm
D - 360 mm
B - 98 mm
D1 - 310,9 mm
Da max - 343 mm
d2 - 238,2 mm
da min - 217 mm
ds - 9,5 mm
ns - 17,7 mm
ra max - 3 mm
rmin - 4 mm
m - 42,3 kg / Weight
Cr - 1520000 N / Dynamic load rating (radial)
e - 0,26
Y1 - 2,57
Y2 - 3,83
C0r - 1990000 N / Static load rating (radial)
Y0 - 2,52
nG - 2330 1/min / Limiting speed
nB - 1530 1/min
Cur - 175000 N / Fatigue limit load, radial
Main dimensions to DIN 635-2