HOME >> Services >> Partners >> FAG Bearing
FAG Bearing
IKO Bearing
INA Bearing
KOYO Bearing
NACHI Bearing
NSK Bearing
NTN Bearing
SKF Bearing
TIMKEN Bearing

Bearing number : 1205-K-TVH-C3 + H205
Size (mm) : 20x52x15
Brand : FAG
Bore Diameter (mm) : 20
Outer Diameter (mm) : 52
Width (mm) : 15
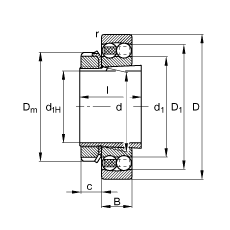
d1H - 20 mm
D - 52 mm
B - 15 mm
Ba min - 5 mm
c - 9 mm
D1 - 43,9 mm
Da max - 46,4 mm
Dm - 38 mm
d - 25 mm
d1 - 33,3 mm
da max - 30,6 mm
db min - 28 mm
l - 26 mm
ra max - 1 mm
- H205 / Adapter sleeve
m - 0,135 kg / Weight
m1 - 0,07 kg / Weight, adapter sleeve
Cr - 12300 N / Dynamic load rating (radial)
e - 0,27
Y1 - 2,37
Y2 - 3,66
C0r - 3250 N / Static load rating (radial)
Y0 - 2,48
nG - 16000 1/min / Limiting speed
nB - 18100 1/min / Reference speed
Cur - 203 N / Fatigue limit load, radial
Main dimensions to DIN 630 / DIN 5415