HOME >> Services >> Partners >> FAG Bearing
FAG Bearing
IKO Bearing
INA Bearing
KOYO Bearing
NACHI Bearing
NSK Bearing
NTN Bearing
SKF Bearing
TIMKEN Bearing

Bearing number : 1209-TVH
Size (mm) : 45x85x19
Brand : FAG
Bore Diameter (mm) : 45
Outer Diameter (mm) : 85
Width (mm) : 19
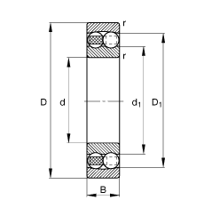
d - 45 mm
D - 85 mm
B - 19 mm
D1 - 72,7 mm
Da max - 78 mm
d1 - 57,7 mm
da min - 52 mm
ra max - 1 mm
rmin - 1,1 mm
m - 0,462 kg / Weight
Cr - 22000 N / Dynamic load rating (radial)
e - 0,21
Y1 - 3,04
Y2 - 4,7
C0r - 7300 N / Static load rating (radial)
Y0 - 3,18
nG - 9000 1/min / Limiting speed
nB - 11100 1/min / Reference speed
Cur - 455 N / Fatigue limit load, radial
Main dimensions to DIN 630