HOME >> Services >> Partners >> FAG Bearing
FAG Bearing
IKO Bearing
INA Bearing
KOYO Bearing
NACHI Bearing
NSK Bearing
NTN Bearing
SKF Bearing
TIMKEN Bearing

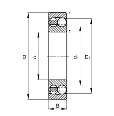
Bearing number : 126-TVH
Size (mm) : 6x19x6
Brand : FAG
Bore Diameter (mm) : 6
Outer Diameter (mm) : 19
Width (mm) : 6
d - 6 mm
D - 19 mm
B - 6 mm
D1 - 14,5 mm
Da max - 16,6 mm
d1 - 10,1 mm
da min - 8,4 mm
ra max - 0,3 mm
rmin - 0,3 mm
m - 0,0090 kg / Weight
Cr - 2600 N / Dynamic load rating (radial)
e - 0,35
Y1 - 1,82
Y2 - 2,82
C0r - 475 N / Static load rating (radial)
Y0 - 1,91
nG - 36000 1/min / Limiting speed
nB - 41500 1/min / Reference speed
Cur - 29,5 N / Fatigue limit load, radial
Main dimensions to DIN 630