HOME >> Services >> Partners >> FAG Bearing
FAG Bearing
IKO Bearing
INA Bearing
KOYO Bearing
NACHI Bearing
NSK Bearing
NTN Bearing
SKF Bearing
TIMKEN Bearing

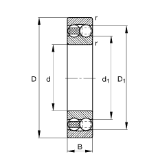
Bearing number : 1304-TVH
Size (mm) : 20x52x15
Brand : FAG
Bore Diameter (mm) : 20
Outer Diameter (mm) : 52
Width (mm) : 15
d - 20 mm
D - 52 mm
B - 15 mm
D1 - 41,9 mm
Da max - 45 mm
d1 - 31,6 mm
da min - 27 mm
ra max - 1 mm
rmin - 1,1 mm
m - 0,163 kg / Weight
Cr - 12700 N / Dynamic load rating (radial)
e - 0,29
Y1 - 2,17
Y2 - 3,35
C0r - 3300 N / Static load rating (radial)
Y0 - 2,27
nG - 16000 1/min / Limiting speed
nB - 16100 1/min / Reference speed
Cur - 206 N / Fatigue limit load, radial
Main dimensions to DIN 630