HOME >> Services >> Partners >> FAG Bearing
FAG Bearing
IKO Bearing
INA Bearing
KOYO Bearing
NACHI Bearing
NSK Bearing
NTN Bearing
SKF Bearing
TIMKEN Bearing

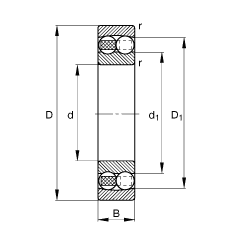
Bearing number : 1306-TVH
Size (mm) : 30x72x19
Brand : FAG
Bore Diameter (mm) : 30
Outer Diameter (mm) : 72
Width (mm) : 19
d - 30 mm
D - 72 mm
B - 19 mm
D1 - 59,4 mm
Da max - 65 mm
d1 - 45 mm
da min - 37 mm
ra max - 1 mm
rmin - 1,1 mm
m - 0,384 kg / Weight
Cr - 21700 N / Dynamic load rating (radial)
e - 0,26
Y1 - 2,39
Y2 - 3,71
C0r - 6300 N / Static load rating (radial)
Y0 - 2,51
nG - 11000 1/min / Limiting speed
nB - 12200 1/min / Reference speed
Cur - 390 N / Fatigue limit load, radial
Main dimensions to DIN 630