HOME >> Services >> Partners >> FAG Bearing
FAG Bearing
IKO Bearing
INA Bearing
KOYO Bearing
NACHI Bearing
NSK Bearing
NTN Bearing
SKF Bearing
TIMKEN Bearing

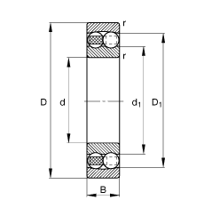
Bearing number : 1319-M
Size (mm) : 95x200x45
Brand : FAG
Bore Diameter (mm) : 95
Outer Diameter (mm) : 200
Width (mm) : 45
d - 95 mm
D - 200 mm
B - 45 mm
C1 - 1,6 mm
D1 - 170,5 mm
Da max - 186 mm
d1 - 127,6 mm
da min - 109 mm
ra max - 2,5 mm
rmin - 3 mm
m - 7,29 kg / Weight
Cr - 134000 N / Dynamic load rating (radial)
e - 0,23
Y1 - 2,73
Y2 - 4,23
C0r - 50000 N / Static load rating (radial)
Y0 - 2,86
nG - 5000 1/min / Limiting speed
nB - 5700 1/min / Reference speed
Cur - 2550 N
Main dimensions to DIN 630