HOME >> Services >> Partners >> FAG Bearing
FAG Bearing
IKO Bearing
INA Bearing
KOYO Bearing
NACHI Bearing
NSK Bearing
NTN Bearing
SKF Bearing
TIMKEN Bearing

Bearing number : 16003
Size (mm) : 17x35x8
Brand : FAG
Bore Diameter (mm) : 17
Outer Diameter (mm) : 35
Width (mm) : 8
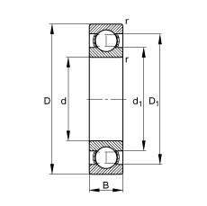
d - 17 mm
D - 35 mm
B - 8 mm
D1 - 29,5 mm
Da max - 33 mm
d1 - 22,7 mm
da min - 19 mm
ra max - 0,3 mm
rmin - 0,3 mm
m - 0,03 kg / Weight
Cr - 6400 N / Basic dynamic load rating, radial
C0r - 3250 N / Basic static load rating, radial
f0 - 14,3
nG - 31000 1/min / Limiting speed
nB - 17700 1/min / Reference speed
Cur - 165 N / Fatigue limit load, radial
Main dimensions to DIN 625-1