HOME >> Services >> Partners >> FAG Bearing
FAG Bearing
IKO Bearing
INA Bearing
KOYO Bearing
NACHI Bearing
NSK Bearing
NTN Bearing
SKF Bearing
TIMKEN Bearing

Bearing number : 16014
Size (mm) : 70x110x13
Brand : FAG
Bore Diameter (mm) : 70
Outer Diameter (mm) : 110
Width (mm) : 13
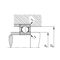
d - 70 mm
D - 110 mm
B - 13 mm
D1 - 96,2 mm
Da max - 106,8 mm
d1 - 83,7 mm
da min - 73,2 mm
ra max - 0,6 mm
rmin - 0,6 mm
m - 0,438 kg / Weight
Cr - 29500 N / Dynamic load rating (radial)
C0r - 25000 N / Static load rating (radial)
f0 - 16,2
nG - 8900 1/min / Limiting speed
nB - 5300 1/min / Reference speed
Cur - 1230 N / Fatigue limit load, radial
Main dimensions to DIN 625-1