HOME >> Services >> Partners >> FAG Bearing
FAG Bearing
IKO Bearing
INA Bearing
KOYO Bearing
NACHI Bearing
NSK Bearing
NTN Bearing
SKF Bearing
TIMKEN Bearing

Bearing number : 16015
Size (mm) : 75x115x13
Brand : FAG
Bore Diameter (mm) : 75
Outer Diameter (mm) : 115
Width (mm) : 13
d - 75 mm
D - 115 mm
B - 13 mm
D1 - 101,2 mm
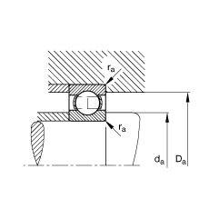
Da max - 111,8 mm
d1 - 88,7 mm
da min - 78,2 mm
ra max - 0,6 mm
rmin - 0,6 mm
m - 0,463 kg / Weight
Cr - 30500 N / Dynamic load rating (radial)
C0r - 27000 N / Static load rating (radial)
f0 - 16,4
nG - 8400 1/min / Limiting speed
nB - 4900 1/min / Reference speed
Cur - 1290 N / Fatigue limit load, radial
Main dimensions to DIN 625-1