HOME >> Services >> Partners >> FAG Bearing
FAG Bearing
IKO Bearing
INA Bearing
KOYO Bearing
NACHI Bearing
NSK Bearing
NTN Bearing
SKF Bearing
TIMKEN Bearing

Bearing number : 16022
Size (mm) : 110x170x19
Brand : FAG
Bore Diameter (mm) : 110
Outer Diameter (mm) : 170
Width (mm) : 19
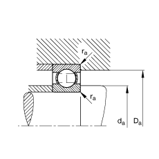
d - 110 mm
D - 170 mm
B - 19 mm
D1 - 149,5 mm
Da max - 165,4 mm
d1 - 130,7 mm
da min - 114,6 mm
ra max - 1 mm
rmin - 1 mm
m - 1,52 kg / Weight
Cr - 61000 N / Dynamic load rating (radial)
C0r - 57000 N / Static load rating (radial)
f0 - 16,3
nG - 5500 1/min / Limiting speed
nB - 3850 1/min / Reference speed
Cur - 2800 N / Fatigue limit load, radial
Main dimensions to DIN 625-1