HOME >> Services >> Partners >> FAG Bearing
FAG Bearing
IKO Bearing
INA Bearing
KOYO Bearing
NACHI Bearing
NSK Bearing
NTN Bearing
SKF Bearing
TIMKEN Bearing

Bearing number : 16034
Size (mm) : 170x260x28
Brand : FAG
Bore Diameter (mm) : 170
Outer Diameter (mm) : 260
Width (mm) : 28
d - 170 mm
D - 260 mm
B - 28 mm
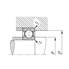
D1 - 228,6 mm
Da max - 253 mm
d1 - 202,3 mm
da min - 177 mm
ra max - 1,5 mm
rmin - 1,5 mm
m - 5,15 kg / Weight
Cr - 131000 N / Dynamic load rating (radial)
C0r - 136000 N / Static load rating (radial)
f0 - 16,4
nG - 3500 1/min / Limiting speed
nB - 2850 1/min / Reference speed
Cur - 5400 N / Fatigue limit load, radial
Main dimensions to DIN 625-1