HOME >> Services >> Partners >> FAG Bearing
FAG Bearing
IKO Bearing
INA Bearing
KOYO Bearing
NACHI Bearing
NSK Bearing
NTN Bearing
SKF Bearing
TIMKEN Bearing

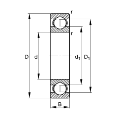
Bearing number : 16072-M
Size (mm) : 360x540x57
Brand : FAG
Bore Diameter (mm) : 360
Outer Diameter (mm) : 540
Width (mm) : 57
d - 360 mm
D - 540 mm
B - 57 mm
D1 - 478,1 mm
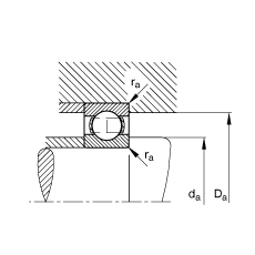
Da max - 525,4 mm
d1 - 423,5 mm
da min - 374,6 mm
ra max - 3 mm
rmin - 4 mm
m - 49,4 kg / Weight
Cr - 365000 N / Dynamic load rating (radial)
C0r - 580000 N / Static load rating (radial)
f0 - 16,4
nG - 2050 1/min / Limiting speed
nB - 1370 1/min / Reference speed
Cur - 15700 N / Fatigue limit load, radial
Main dimensions to DIN 625-1