HOME >> Services >> Partners >> FAG Bearing
FAG Bearing
IKO Bearing
INA Bearing
KOYO Bearing
NACHI Bearing
NSK Bearing
NTN Bearing
SKF Bearing
TIMKEN Bearing

Bearing number : 20209-TVP
Size (mm) : 45x85x19
Brand : FAG
Bore Diameter (mm) : 45
Outer Diameter (mm) : 85
Width (mm) : 19
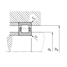
d - 45 mm
D - 85 mm
B - 19 mm
D1 - 74,6 mm
Da max - 78 mm
da min - 52 mm
ra max - 1 mm
rmin - 1,1 mm
m - 0,441 kg / Weight
Cr - 52000 N / Dynamic load rating (radial)
C0r - 57000 N / Static load rating (radial)
nG - 8400 1/min / Limiting speed
Cur - 5900 N / Fatigue limit load, radial
Main dimensions to DIN 635-1