HOME >> Services >> Partners >> FAG Bearing
FAG Bearing
IKO Bearing
INA Bearing
KOYO Bearing
NACHI Bearing
NSK Bearing
NTN Bearing
SKF Bearing
TIMKEN Bearing

Bearing number : 20212-TVP
Size (mm) : 60x110x22
Brand : FAG
Bore Diameter (mm) : 60
Outer Diameter (mm) : 110
Width (mm) : 22
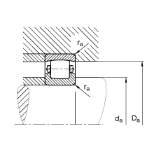
d - 60 mm
D - 110 mm
B - 22 mm
D1 - 97,8 mm
Da max - 101 mm
da min - 69 mm
ra max - 1,5 mm
rmin - 1,5 mm
m - 0,836 kg / Weight
Cr - 85000 N / Dynamic load rating (radial)
C0r - 100000 N / Static load rating (radial)
nG - 6600 1/min / Limiting speed
Cur - 10600 N / Fatigue limit load, radial
Main dimensions to DIN 635-1