HOME >> Services >> Partners >> FAG Bearing
FAG Bearing
IKO Bearing
INA Bearing
KOYO Bearing
NACHI Bearing
NSK Bearing
NTN Bearing
SKF Bearing
TIMKEN Bearing

Bearing number : 20224-MB
Size (mm) : 120x215x40
Brand : FAG
Bore Diameter (mm) : 120
Outer Diameter (mm) : 215
Width (mm) : 40
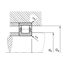
d - 120 mm
D - 215 mm
B - 40 mm
D1 - 191,1 mm
Da max - 203 mm
da min - 132 mm
ra max - 2,1 mm
rmin - 2,1 mm
m - 6,6 kg / Weight
Cr - 305000 N / Dynamic load rating (radial)
C0r - 415000 N / Static load rating (radial)
nG - 3350 1/min / Limiting speed
Cur - 38000 N / Fatigue limit load, radial
Main dimensions to DIN 635-1