HOME >> Services >> Partners >> FAG Bearing
FAG Bearing
IKO Bearing
INA Bearing
KOYO Bearing
NACHI Bearing
NSK Bearing
NTN Bearing
SKF Bearing
TIMKEN Bearing

Bearing number : 20230-MB
Size (mm) : 150x270x45
Brand : FAG
Bore Diameter (mm) : 150
Outer Diameter (mm) : 270
Width (mm) : 45
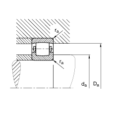
d - 150 mm
D - 270 mm
B - 45 mm
D1 - 238,6 mm
Da max - 256 mm
da min - 164 mm
ra max - 2,5 mm
rmin - 3 mm
m - 11,7 kg / Weight
Cr - 430000 N / Dynamic load rating (radial)
C0r - 610000 N / Static load rating (radial)
nG - 2850 1/min / Limiting speed
Cur - 55000 N / Fatigue limit load, radial
Main dimensions to DIN 635-1