HOME >> Services >> Partners >> FAG Bearing
FAG Bearing
IKO Bearing
INA Bearing
KOYO Bearing
NACHI Bearing
NSK Bearing
NTN Bearing
SKF Bearing
TIMKEN Bearing

Bearing number : 20236-MB
Size (mm) : 180x320x52
Brand : FAG
Bore Diameter (mm) : 180
Outer Diameter (mm) : 320
Width (mm) : 52
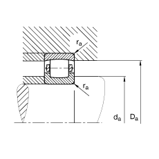
d - 180 mm
D - 320 mm
B - 52 mm
D1 - 284,3 mm
Da max - 303 mm
da min - 197 mm
ra max - 3 mm
rmin - 4 mm
m - 18,4 kg / Weight
Cr - 585000 N / Dynamic load rating (radial)
C0r - 850000 N / Static load rating (radial)
nG - 2420 1/min / Limiting speed
Cur - 74000 N / Fatigue limit load, radial
Main dimensions to DIN 635-1