HOME >> Services >> Partners >> FAG Bearing
FAG Bearing
IKO Bearing
INA Bearing
KOYO Bearing
NACHI Bearing
NSK Bearing
NTN Bearing
SKF Bearing
TIMKEN Bearing

Bearing number : 20316-MB
Size (mm) : 80x170x39
Brand : FAG
Bore Diameter (mm) : 80
Outer Diameter (mm) : 170
Width (mm) : 39
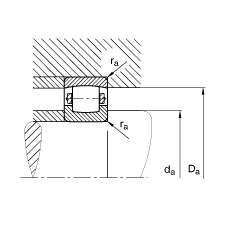
d - 80 mm
D - 170 mm
B - 39 mm
D1 - 147,5 mm
Da max - 158 mm
da min - 92 mm
ra max - 2,1 mm
rmin - 2,1 mm
m - 4,58 kg / Weight
Cr - 245000 N / Dynamic load rating (radial)
C0r - 285000 N / Static load rating (radial)
nG - 3950 1/min / Limiting speed
Cur - 25500 N / Fatigue limit load, radial
Main dimensions to DIN 635-1