HOME >> Services >> Partners >> FAG Bearing
FAG Bearing
IKO Bearing
INA Bearing
KOYO Bearing
NACHI Bearing
NSK Bearing
NTN Bearing
SKF Bearing
TIMKEN Bearing

Bearing number : 20322-MB
Size (mm) : 110x240x50
Brand : FAG
Bore Diameter (mm) : 110
Outer Diameter (mm) : 240
Width (mm) : 50
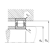
d - 110 mm
D - 240 mm
B - 50 mm
D1 - 208,1 mm
Da max - 226 mm
da min - 124 mm
ra max - 2,5 mm
rmin - 3 mm
m - 11,6 kg / Weight
Cr - 430000 N / Dynamic load rating (radial)
C0r - 520000 N / Static load rating (radial)
nG - 3000 1/min / Limiting speed
Cur - 45500 N / Fatigue limit load, radial
Main dimensions to DIN 635-1