HOME >> Services >> Partners >> FAG Bearing
FAG Bearing
IKO Bearing
INA Bearing
KOYO Bearing
NACHI Bearing
NSK Bearing
NTN Bearing
SKF Bearing
TIMKEN Bearing

Bearing number : 21304-E1-TVPB
Size (mm) : 20x52x15
Brand : FAG
Bore Diameter (mm) : 20
Outer Diameter (mm) : 52
Width (mm) : 15
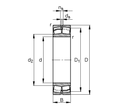
d - 20 mm
D - 52 mm
B - 15 mm
D1 - 43 mm
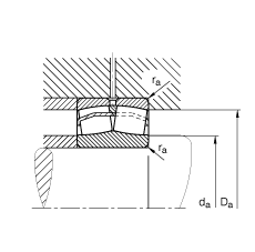
Da max - 45 mm
d2 - 28,9 mm
da min - 27 mm
ds - - mm
ns - - mm
ra max - 1 mm
rmin - 1,1 mm
m - 0,16 kg / Weight
Cr - 41000 N / Dynamic load rating (radial)
e - 0,3
Y1 - 2,25
Y2 - 3,34
C0r - 33000 N / Static load rating (radial)
Y0 - 2,2
nG - 16000 1/min / Limiting speed
nB - 10100 1/min
Cur - 3700 N / Fatigue limit load, radial
Main dimensions to DIN 635-2