HOME >> Services >> Partners >> FAG Bearing
FAG Bearing
IKO Bearing
INA Bearing
KOYO Bearing
NACHI Bearing
NSK Bearing
NTN Bearing
SKF Bearing
TIMKEN Bearing

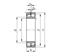
Bearing number : 21305-E1-TVPB
Size (mm) : 25x62x17
Brand : FAG
Bore Diameter (mm) : 25
Outer Diameter (mm) : 62
Width (mm) : 17
d - 25 mm
D - 62 mm
B - 17 mm
D1 - 51 mm
Da max - 55 mm
d2 - 35,2 mm
da min - 32 mm
ds - - mm
ns - - mm
ra max - 1 mm
rmin - 1,1 mm
m - 0,254 kg / Weight
Cr - 52000 N / Dynamic load rating (radial)
e - 0,28
Y1 - 2,43
Y2 - 3,61
C0r - 43500 N / Static load rating (radial)
Y0 - 2,37
nG - 13900 1/min / Limiting speed
nB - 8700 1/min
Cur - 4750 N / Fatigue limit load, radial
Main dimensions to DIN 635-2