HOME >> Services >> Partners >> FAG Bearing
FAG Bearing
IKO Bearing
INA Bearing
KOYO Bearing
NACHI Bearing
NSK Bearing
NTN Bearing
SKF Bearing
TIMKEN Bearing

Bearing number : 21307-E1-TVPB
Size (mm) : 35x80x21
Brand : FAG
Bore Diameter (mm) : 35
Outer Diameter (mm) : 80
Width (mm) : 21
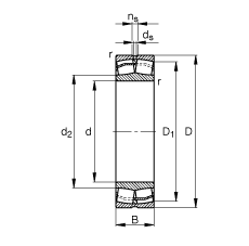
d - 35 mm
D - 80 mm
B - 21 mm
D1 - 66,6 mm
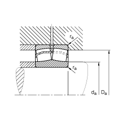
Da max - 71 mm
d2 - 47,4 mm
da min - 44 mm
ds - - mm
ns - - mm
ra max - 1,5 mm
rmin - 1,5 mm
m - 0,503 kg / Weight
Cr - 83000 N / Dynamic load rating (radial)
e - 0,26
Y1 - 2,55
Y2 - 3,8
C0r - 74000 N / Static load rating (radial)
Y0 - 2,5
nG - 10900 1/min / Limiting speed
nB - 7000 1/min
Cur - 8100 N / Fatigue limit load, radial
Main dimensions to DIN 635-2