HOME >> Services >> Partners >> FAG Bearing
FAG Bearing
IKO Bearing
INA Bearing
KOYO Bearing
NACHI Bearing
NSK Bearing
NTN Bearing
SKF Bearing
TIMKEN Bearing

Bearing number : 21308-E1-K + AH308
Size (mm) : 35x90x23
Brand : FAG
Bore Diameter (mm) : 35
Outer Diameter (mm) : 90
Width (mm) : 23
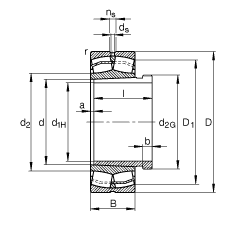
d1H - 35 mm
D - 90 mm
B - 23 mm
a - 3 mm
b - 6 mm
D1 - 80,8 mm
Da max - 81 mm
d - 40 mm
d2 - 59,9 mm
d2G - M45X1,5
da min - 49 mm
ds - 3,2 mm
l - 29 mm
ns - 4,8 mm
ra max - 1,5 mm
rmin - 1,5 mm
- AH308 / Designation, withdrawal sleeve
m - 0,749 kg / Weight
m1 - 0,09 kg / Weight, withdrawal sleeve
Cr - 109000 N
e - 0,23
Y1 - 2,95
Y2 - 4,4
C0r - 107000 N / Static load rating (radial)
Y0 - 2,89
nG - 9800 1/min / Limiting speed
nB - 6100 1/min / Reference speed
Cur -
Main dimensions to DIN 635-2