HOME >> Services >> Partners >> FAG Bearing
FAG Bearing
IKO Bearing
INA Bearing
KOYO Bearing
NACHI Bearing
NSK Bearing
NTN Bearing
SKF Bearing
TIMKEN Bearing

Bearing number : 22309-E1-K + AH2309
Size (mm) : 40x100x36
Brand : FAG
Bore Diameter (mm) : 40
Outer Diameter (mm) : 100
Width (mm) : 36
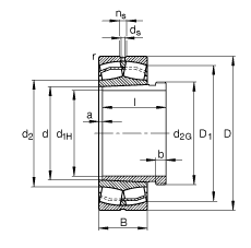
d1H - 40 mm
D - 100 mm
B - 36 mm
a - 3 mm
b - 7 mm
D1 - 84,7 mm
Da max - 91 mm
d - 45 mm
d2 - 58,9 mm
d2G - M50X1,5
da min - 54 mm
ds - 3,2 mm
l - 44 mm
ns - 6,5 mm
ra max - 1,5 mm
rmin - 1,5 mm
- AH2309 / Designation, withdrawal sleeve
m - 1,4 kg / Weight
m1 - 0,17 kg / Weight, withdrawal sleeve
Cr - 187000 N
e - 0,36
Y1 - 1,9
Y2 - 2,83
C0r - 183000 N / Static load rating (radial)
Y0 - 1,86
nG - 6800 1/min / Limiting speed
nB - 5300 1/min / Reference speed
Cur -
Main dimensions to DIN 635-2