HOME >> Services >> Partners >> FAG Bearing
FAG Bearing
IKO Bearing
INA Bearing
KOYO Bearing
NACHI Bearing
NSK Bearing
NTN Bearing
SKF Bearing
TIMKEN Bearing

Bearing number : 22340-E1-K + AH2340
Size (mm) : 190x420x138
Brand : FAG
Bore Diameter (mm) : 190
Outer Diameter (mm) : 420
Width (mm) : 138
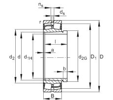
d1H - 190 mm
D - 420 mm
B - 138 mm
a - 7 mm
b - 30 mm
D1 - 355,1 mm
Da max - 400 mm
d - 200 mm
d2 - 248,8 mm
d2G - Tr220X4
da min - 220 mm
ds - 12,5 mm
l - 170 mm
ns - 23,5 mm
ra max - 4 mm
rmin - 5 mm
- AH2340 / Designation, withdrawal sleeve
m - 87,4 kg / Weight
m1 - 7,64 kg / Weight, withdrawal sleeve
Cr - 2440000 N
e - 0,34
Y1 - 1,98
Y2 - 2,94
C0r - 2950000 N / Static load rating (radial)
Y0 - 1,93
nG - 1830 1/min / Limiting speed
nB - 1100 1/min / Reference speed
Cur -
Main dimensions to DIN 635-2