HOME >> Services >> Partners >> FAG Bearing
FAG Bearing
IKO Bearing
INA Bearing
KOYO Bearing
NACHI Bearing
NSK Bearing
NTN Bearing
SKF Bearing
TIMKEN Bearing

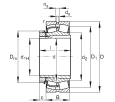
Bearing number : 22344-E1-K + H2344X
Size (mm) : 200x460x145
Brand : FAG
Bore Diameter (mm) : 200
Outer Diameter (mm) : 460
Width (mm) : 145
d1H - 200 mm
D - 460 mm
B - 145 mm
Ba min - 10 mm
c - 35 mm
D1 - 391,1 mm
Da max - 440 mm
Dm - 280 mm
d - 220 mm
d2 - 273,4 mm
da max - 272 mm
db min - 236 mm
ds - 12,5 mm
l - 186 mm
ns - 23,5 mm
ra max - 4 mm
rmin - 5 mm
- H2344X / Adapter sleeve
m - 114 kg / Weight
m1 - 17,8 kg
Cr - 2800000 N / Dynamic load rating (radial)
e - 0,33
Y1 - 2,06
Y2 - 3,06
C0r - 3400000 N / Static load rating (radial)
Y0 - 2,01
nG - 1690 1/min / Limiting speed
nB - 270000 N / Fatigue limit load, radial
Main dimensions to DIN 635-2