HOME >> Services >> Partners >> FAG Bearing
FAG Bearing
IKO Bearing
INA Bearing
KOYO Bearing
NACHI Bearing
NSK Bearing
NTN Bearing
SKF Bearing
TIMKEN Bearing

Bearing number : 22356-K-MB + AH2356G
Size (mm) : 260x580x175
Brand : FAG
Bore Diameter (mm) : 260
Outer Diameter (mm) : 580
Width (mm) : 175
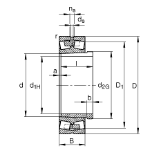
d1H - 260 mm
D - 580 mm
B - 175 mm
a - 8 mm
b - 30 mm
D1 - 489,3 mm
Da max - 554 mm
d - 280 mm
d2G - Tr300X4
da min - 306 mm
ds - 12,5 mm
l - 212 mm
ns - 23,5 mm
ra max - 5 mm
rmin - 6 mm
- AH2356G / Designation, withdrawal sleeve
m - 224 kg / Weight
m1 - 20,9 kg / Weight, withdrawal sleeve
Cr - 3550000 N / Dynamic load rating (radial)
e - 0,33
Y1 - 2,03
Y2 - 3,02
C0r - 5400000 N / Static load rating (radial)
Y0 - 1,98
nG - 1320 1/min / Limiting speed
nB - 680 1/min / Reference speed
Cur - 335000 N / Fatigue limit load, radial
Main dimensions to DIN 635-2