HOME >> Services >> Partners >> FAG Bearing
FAG Bearing
IKO Bearing
INA Bearing
KOYO Bearing
NACHI Bearing
NSK Bearing
NTN Bearing
SKF Bearing
TIMKEN Bearing

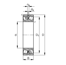
Bearing number : 230/1180-B-MB
Size (mm) : 1180x1660x355
Brand : FAG
Bore Diameter (mm) : 1180
Outer Diameter (mm) : 1660
Width (mm) : 355
d - 1180 mm
D - 1660 mm
B - 355 mm
D1 - 1522,2 mm
Da max - 1626 mm
da min - 1214 mm
ds - 12,5 mm
ns - 23,5 mm
ra max - 8 mm
rmin - 9,5 mm
m - 2513 kg / Weight
Cr - 16600000 N / Dynamic load rating (radial)
e - 0,21
Y1 - 3,27
Y2 - 4,87
C0r - 42000000 N / Static load rating (radial)
Y0 - 3,2
nG - 330 1/min / Limiting speed
nB - 167 1/min / Reference speed
Cur - 2400000 N
Main dimensions to DIN 635-2