HOME >> Services >> Partners >> FAG Bearing
FAG Bearing
IKO Bearing
INA Bearing
KOYO Bearing
NACHI Bearing
NSK Bearing
NTN Bearing
SKF Bearing
TIMKEN Bearing

Bearing number : 230/500-B-K-MB + AHX30/500-H
Size (mm) : 480x720x167
Brand : FAG
Bore Diameter (mm) : 480
Outer Diameter (mm) : 720
Width (mm) : 167
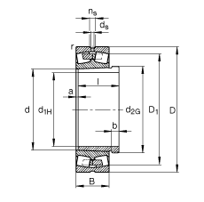
d1H - 480 mm
D - 720 mm
B - 167 mm
a - 12 mm
b - 40 mm
D1 - 653,5 mm
Da max - 697 mm
d - 500 mm
d2G - Tr540X6
da min - 523 mm
ds - 12,5 mm
l - 209 mm
ns - 23,5 mm
ra max - 5 mm
rmin - 6 mm
- AHX30/500-H / Designation, withdrawal sleeve
m - 219 kg / Weight
m1 - 42,5 kg / Weight, withdrawal sleeve
Cr - 3900000 N / Dynamic load rating (radial)
e - 0,22
Y1 - 3,01
Y2 - 4,48
C0r - 8500000 N / Static load rating (radial)
Y0 - 2,94
nG - 890 1/min / Limiting speed
nB - 520 1/min / Reference speed
Cur - 510000 N / Fatigue limit load, radial
Main dimensions to DIN 635-2