HOME >> Services >> Partners >> FAG Bearing
FAG Bearing
IKO Bearing
INA Bearing
KOYO Bearing
NACHI Bearing
NSK Bearing
NTN Bearing
SKF Bearing
TIMKEN Bearing

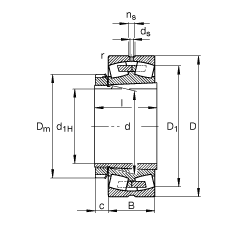
Bearing number : 23036-E1A-K-M + H3036
Size (mm) : 160x280x74
Brand : FAG
Bore Diameter (mm) : 160
Outer Diameter (mm) : 280
Width (mm) : 74
d1H - 160 mm
D - 280 mm
B - 74 mm
Ba min - 8 mm
c - 30 mm
D1 - 254,3 mm
Da max - 269,8 mm
Dm - 210 mm
d - 180 mm
da max - 201 mm
db min - 189 mm
ds - 8 mm
l - 109 mm
ns - 15 mm
ra max - 2,1 mm
rmin - 2,1 mm
- H3036 / Adapter sleeve
m - 16 kg / Weight
m1 - 7,18 kg / Weight, adapter sleeve
Cr - 1040000 N
e - 0,23
Y1 - 2,9
Y2 - 4,31
C0r - 1450000 N / Static load rating (radial)
Y0 - 2,83
nG - 2600 1/min / Limiting speed
nB - 1790 1/min / Reference speed
Cur -
Main dimensions to DIN 635-2