HOME >> Services >> Partners >> FAG Bearing
FAG Bearing
IKO Bearing
INA Bearing
KOYO Bearing
NACHI Bearing
NSK Bearing
NTN Bearing
SKF Bearing
TIMKEN Bearing

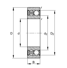
Bearing number : 2305-2RS-TVH
Size (mm) : 25x62x24
Brand : FAG
Bore Diameter (mm) : 25
Outer Diameter (mm) : 62
Width (mm) : 24
d - 25 mm
D - 62 mm
B - 24 mm
D2 - 53,2 mm
Da max - 55 mm
da min - 32 mm
ra max - 1 mm
rmin - 1,1 mm
m - 0,367 kg / Weight
Cr - 18300 N / Dynamic load rating (radial)
e - 0,28
Y1 - 2,29
Y2 - 3,54
C0r - 4950 N / Static load rating (radial)
Y0 - 2,4
nG - 8000 1/min / Limiting speed
nB - - 1/min / Reference speed
Cur - 310 N / Fatigue limit load, radial
Main dimensions to DIN 630, lip seal on both side