HOME >> Services >> Partners >> FAG Bearing
FAG Bearing
IKO Bearing
INA Bearing
KOYO Bearing
NACHI Bearing
NSK Bearing
NTN Bearing
SKF Bearing
TIMKEN Bearing

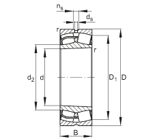
Bearing number : 23056-E1-K
Size (mm) : 280x420x106
Brand : FAG
Bore Diameter (mm) : 280
Outer Diameter (mm) : 420
Width (mm) : 106
d - 280 mm
D - 420 mm
B - 106 mm
D1 - 379,2 mm
Da max - 405,4 mm
d2 - 314,3 mm
da min - 294,6 mm
ds - 9,5 mm
ns - 17,7 mm
ra max - 3 mm
rmin - 4 mm
m - 49,3 kg / Weight
Cr - 1780000 N / Dynamic load rating (radial)
e - 0,22
Y1 - 3,01
Y2 - 4,48
C0r - 2850000 N / Static load rating (radial)
Y0 - 2,94
nG - 1740 1/min / Limiting speed
nB - 1100 1/min
Cur - 255000 N / Fatigue limit load, radial
Main dimensions to DIN 635-2