HOME >> Services >> Partners >> FAG Bearing
FAG Bearing
IKO Bearing
INA Bearing
KOYO Bearing
NACHI Bearing
NSK Bearing
NTN Bearing
SKF Bearing
TIMKEN Bearing

Bearing number : 23064-K-MB + AH3064G-H
Size (mm) : 300x480x121
Brand : FAG
Bore Diameter (mm) : 300
Outer Diameter (mm) : 480
Width (mm) : 121
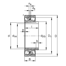
d1H - 300 mm
D - 480 mm
B - 121 mm
a - 8 mm
b - 27 mm
D1 - 432,6 mm
Da max - 465,4 mm
d - 320 mm
d2G - Tr340X5
da min - 334,6 mm
ds - 9,5 mm
l - 149 mm
ns - 17,7 mm
ra max - 3 mm
rmin - 4 mm
- AH3064G-H / Designation, withdrawal sleeve
m - 77,1 kg / Weight
m1 - 15,9 kg / Weight, withdrawal sleeve
Cr - 2040000 N / Dynamic load rating (radial)
e - 0,25
Y1 - 2,74
Y2 - 4,08
C0r - 4000000 N / Static load rating (radial)
Y0 - 2,68
nG - 1460 1/min / Limiting speed
nB - 910 1/min / Reference speed
Cur - 243000 N / Fatigue limit load, radial
Main dimensions to DIN 635-2